NFC技术规范与测试要求
文章来源:网络 发布时间:2016-09-07 访问量:人 近场通信(Near Field Communication,NFC),又称近距离无线通信,是一种短距离的高频无线通信技术,允许电子设备之间进行非接触式点对点数据传输(在十厘米内)交换数据。这个技术由免接触式射频识别(RFID)演变而来,并向下兼容RFID,主要用于手机等手持设备中提供M2M(Machine to Machine)的通信。由于近场通讯具有天然的安全性,因此,NFC技术被认为在手机支付等领域具有很大的应用前景。近年来由于手机的功能与普及度快速的成长,使早期的电子钱包有了推广的机会点。NFC的演进取自于RFID的特定频段,由于手机的市场应用使的NFC可在较快的时间点取得标准接口与平台,本文将针对NFC的架构与规范做一简要讨论。
NFC的应用:
电子付费系统中,目前应用于手机系统上最完整的解决方案是以NFC为主,市场上也已经有相关产品流通着。除了个人识别与电子付费系统外,NFC也在数据传输与交换上有了一些吸引人的功能,例如:电子海报的数据下载(包括入场卷、会展信息)。此外,NFC还可以作为蓝牙设备配对及输入密码的简化功能,若是使用者具有负载NFC的蓝牙设备,即可将NFC分别靠近两组具有NFC的蓝牙设备,如此即可不需要透过蓝牙搜寻及输入密码的配对过程即可快速连结。目前韩国在欧美已经在电信业者、芯片商与手机制造商的合作下于公交付费系统中进行多次的验证。
NFC的技术特点:
与RFID一样,NFC信息也是通过频谱中无线频率部分的电磁感应耦合方式传递,但两者之间还是存在很大的区别。首先,NFC是一种提供轻松、安全、迅速的通信的无线连接技术,其传输范围比 RFID小,RFID的传输范围可以达到几米、甚至几十米,但由于NFC采取了独特的信号衰减技术,相对于RFID来说NFC具有距离近、带宽高、能耗低等特点。 其次,NFC与现有非接触智能卡技术兼容,目前已经成为得到越来越多主要厂商支持的正式标准。再次,NFC还是一种近距离连接协议,提供各种设备间轻松、安全、迅速而自动的通信。与无线世界中的其他连接方式相比,NFC是一种近距离的私密通信方式。最后,RFID更多的被应用在生产、物流、跟踪、资产管理上,而NFC则在门禁、公交、手机支付等领域内发挥着巨大的作用。
NFC、红外和蓝牙同为非接触传输方式,它们具有各自不同的技术特征,可以用于各种不同的目的,其技术本身没有优劣差别。
NFC手机内置NFC芯片,比原先仅作为标签使用的RFID更增加了数据双向传送的功能,这个进步使得其更加适合用于电子货币支付的;特别是RFID所不能实现的,相互认证和动态加密和一次性钥匙(OTP)能够在NFC上实现。NFC技术支持多种应用,包括移动支付与交易、对等式通信及移动中信息访问等。通过NFC手机,人们可以在任何地点、任何时间,通过任何设备,与他们希望得到的娱乐服务与交易联系在一起,从而完成付款,获取海报信息等。NFC设备可以用作非接触式智能卡、智能卡的读写器终端以及设备对设备的数据传输链路,其应用主要可分为以下四个基本类型:用于付款和购票、用于电子票证、用于智能媒体以及用于交换、传输数据。
NFC与其它近距通信技术的比较:
和传统的近距通讯相比,近场通讯(NFC)就有天然的安全性,以及连接建立的快速性,具体对比如下表:
NFC的架构:
NFC的操作频率为13.56MHz,而操作距离约为10cm之内;而NFC的规范制定取至于RFID13.56MHz的频段,早期运用此频段包括 PhilipsMiFARE(ISO1443A)、ISO1443B、ISO15693、ISO18000-3及SonyFelica。由于非接触卡应用于个人数据识别或电子付费系统中强调于安全机制,而近乎于贴近卡片阅读器系统的近场通信及是将13.56MHz中短距系统的部分加以整合,所以最后市场上所见的即为PhilipsMiFARE(ISO1443A)及SonyFelica,早期这两家系统各自发展互不兼容,直到近年才将两种规格合并并制定了 NFC规范ECMA340/ISO18092(NFCIP1,NFCInterfaceandprotocol1)。此规范相容于现有 PhilipsMiFARE(ISO1443A)及SonyFelica。
NFC工作频率为13.56MHz、ASK调变,传输速率可分为106kbps/212kbps/424kbps三种,通信模式可分为主动模式与被动模式,主动模式是指发起设备(initiator)与目标设备(target)皆可自身电源供应产生RFfield,而被动模式下则是发起设备自身供应电源产生RFfield;而目标设备则利用全波整流线路将发起端的RFfield之能量转换为 DC来供应自己的电源。值得一提的是,在被动模式下为了要满足省电的要求所以采用了负载调变(Loadmodulation)的方式,此调变方式可以达到省电的效果。
在使用上因为NFC的使用通常会遇到使用尖峰时期,会了避免不同的发起端或目标端同时沟通造成数据链路错误,所以NFC采用了一种机制 listenbeforetalk。此机制会让当发起端设备要发出询问信号前,先侦测外界磁场强度来判断是否有其它的设备正在沟通中,这种机制的实现称为 RF Collision Avoidance(RFCA),其动作行为是在每次发起端发出询问信号时会侦测外界磁场,当磁场强度超过门坎强度时 (Hthreshold=0.1875A/m)则会停止询问,直至外界强度降至门坎值以下。若是低于临界值才会开始发出询问指令,侦测的时间为 TIDT+nTRFW,n为0~3的机率取样:TRFW=512/fc(RFwaitingtime),TIDT>4096 /fc(initialdelaytime)。当发起设备在TIDT+nTRFW内没有侦测到超过门坎强度的磁场,则会先发射TIRFG的未调变 RFfield之后再发出询问信号,其中TIRFG必须大于5ms。
NFC规范调变:
在此将针对NFC RF interface做叙述,首先要先介绍EMCA340与EMCA356两种标准,EMCA340中叙述NFC相关协议,这里先引入数据封标作讨论,NFC数据分包分为两种类型,一为106kpbs、一为212/424kbps。
由于NFC106kbps为100%ASK调变,所以对整个High/Low信号的封包结构都有相当详细的定义。其中几个参数包括从100%下降到 5%Am时间(t1)、5%Am持续时间(t2)、Am由5%上升至60%时间(t4)即overshoot的范围。而212/424kbps则是 8%~30%的调变率。
RF测试kit:
1.Calibration coil:coil的功能在于验证测试过程中,待测物所发射出的信号是否为正确的强度与调变。此Coil为一简单的天线架构,当然EMCA也详细的规定了所有的尺寸,由此coil所测出的值为0.32V(RMS)=1A/m(磁场强度)。
2.Field Generating Antenna:kit用于磁场的发射,图中还包含了一组天线匹配线路。
3.Sense coil:sense coil用于量测待测物的磁场强度与调变。
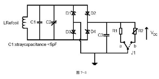
4.Reference device:图7为两种测试标准线路和一组天线coil,此referencedevice用于测试DUT的标准件。其中又包含了两组测试电路,图7-2为调变测试电路,图7-3为电源测试电路。

NFC RF测试程序:
1.发起设备Power测试:此测项在测试由发起设备所供给的磁场强度是否供给目标物足够的工作电源。将信号由generatingantenna 调整发射,于右端的calibrationcoil量测到的强度为Hmax(7.5A/m),此时再将referencedevice配合power测试线路调整C2使线路共振点位于19MHz(此部份在规范中并无详述为何调整至19MHz,在此推论若19MHz可达到3V输出则当目标物为 13.56MHz时其电压一定会超高3V,此因该为取其下限值),放置于DUT位置,调整线路R2使的由C3所得到之电压值为3V。此时 Referencedevice已经完成,之后再将此卡用来量测发起设备,将此卡放至于发起设备所标注之超作范围,在此超作范围内任意位置所量测到的电压值(C3)皆不可超过3V。至于Hmin测试则与max大致相同,不同处为将referencedevice共振频率调至13.56MHz及所量测知电压值皆须超过3V。
2.目标物的loadmodulation测试:
(1)被动模式
●106kbps:此测试为验证目标物可正确调变出波形,先将calibrationcoil放置于下侧外缘,确定generatingantenna所发射之波形与强度正确无误,此时再将待测目标物放置于上侧外缘,编辑一个ECMA340所定义之SENS_REQ波型由 generatingantenna发射并在待测目标物会回送一个SENS_RES信号,如此即可透过二个sensecoil量测到信号,此量测架构因考量回传之负载调变信号微弱,所以利用两个sensecoil之间电压差做计算,由于兼容系问题,所以在106kbps延续MiFARE使用副载波 (subcarrier)的调变作被动目标物的回传信号,所以量测点应于fc+fs与fc-fs(fc=13.56MHz,fs=fc/16)。
●212/424kbps:高速的调变信号量测方式则与106kbps十分相似,只是将量测撷取位置改为fc,因为此两种传输速度下并无使用副载波调变
(2)主动模式
主动模式的测试与被动模式上并无太大的差异,由于是主动模式所以加测了目标物的RFfield发射的时间,指令下达的时间等。
3.发起设备的loadmodulation测试:
此测试在于验证发起设备的调变机制,可分为主动模式发射与被动模式接收两种。
(1)主动模式发射:将calibrationcoil放置于发起设备所定义的任意位置,而所量测的波型皆需符合ECMA340所定的规范。
(2)被动模式接收:此为测试发起设备可以正确的接收被动目标物所回传的信号。利用图7-2的loadmodulation测试线路所做成的 referencedevice,先将对应C3电压与距离的关系以图8的架构校正好,之后即可将此卡与发起设备的待测物做量测,测试由 referencedevice所发出的调变信号于待测物端的接收情况。在此只能对部分的测试项目做讨论而详细的测试请参考ECMA。
NFC系统目前阶段主要存在的问题:
1、相容性问题
目前不同厂家的NFC设备的兼容性问题还是比较突出的,这也是NFC论坛目前正在致力于解决的一个重点。其希望通过NFC标志认证来达到所有NFC设备兼容性的统一。
2、安全性问题
安全的NFC将各种NFC应用结合智慧卡的安全性。重要的机密资料与数据会一直储存在卡片中安全记忆体的某个区域,并且只能经由NFC装置授权,藉由储存在装置内安全记忆体中的私密金钥将传送资料予以加密。
3、主动或被动运作模式
拥有NFC的装置可以在主动或被动模式下运作,一般的行动装置主要是以被动模式运作,可以大幅降低耗电量,并延长电池的续航力。主动式NFC装置可以透过内部产生的射频场(RF-field)提供与被动装置通讯时所需的所有电力,与免接触式智慧卡的情况相同,拥有相同的电力,确保即使关掉行动装置的电源仍可以正常进行资料的读取。
4、标准化
NFC符合ECMA 340与ETSI TS 102 190 V1.1.1以及ISO/IEC 18092标准的开放式平台技术,这些标准具体规范NFC装置的调制方案、编码、传输速度与RF介面的讯框格式等,以及被动与主动NFC模式初始化过程中资料冲突控制所需的初始化设定与条件。此外,这些标准还定义了传输协定,其中包括通讯协定启动与资料交换方式等。
5、政策问题
由于移动支付产业环节复杂,价值链的构建需要多方参与,在此时间段,产业主导者不清晰,金融机构和移动运营商的议价能力相当,产业实际投入力度比较低。而由于终端和消费环境的缺乏,用户体验较差,用户通过移动支付购买的物品和服务并不丰富,目前并没有给消费者带来真正的便捷。
NFC系统的常见认证要求:
目前NFC终端的主要认证有CE,FCC和NFC logo认证。其中NFC logo认证目前还是个自愿认证,其实阶段主要的测试要求还在于NFC设备的互联互通(IOT)要求。关于NFC设备的CE标准为ETSI EN 300 330-1及ETSI EN 300 330-2。而NFC设备的FCC认证的标准为FCC PART 15C。具体的测试要求可详见摩尔实验室(MORLAB)的专题文章:《CE和FCC认证中针对NFC频段的射频测试要求》
NFC的应用:
电子付费系统中,目前应用于手机系统上最完整的解决方案是以NFC为主,市场上也已经有相关产品流通着。除了个人识别与电子付费系统外,NFC也在数据传输与交换上有了一些吸引人的功能,例如:电子海报的数据下载(包括入场卷、会展信息)。此外,NFC还可以作为蓝牙设备配对及输入密码的简化功能,若是使用者具有负载NFC的蓝牙设备,即可将NFC分别靠近两组具有NFC的蓝牙设备,如此即可不需要透过蓝牙搜寻及输入密码的配对过程即可快速连结。目前韩国在欧美已经在电信业者、芯片商与手机制造商的合作下于公交付费系统中进行多次的验证。
NFC的技术特点:
与RFID一样,NFC信息也是通过频谱中无线频率部分的电磁感应耦合方式传递,但两者之间还是存在很大的区别。首先,NFC是一种提供轻松、安全、迅速的通信的无线连接技术,其传输范围比 RFID小,RFID的传输范围可以达到几米、甚至几十米,但由于NFC采取了独特的信号衰减技术,相对于RFID来说NFC具有距离近、带宽高、能耗低等特点。 其次,NFC与现有非接触智能卡技术兼容,目前已经成为得到越来越多主要厂商支持的正式标准。再次,NFC还是一种近距离连接协议,提供各种设备间轻松、安全、迅速而自动的通信。与无线世界中的其他连接方式相比,NFC是一种近距离的私密通信方式。最后,RFID更多的被应用在生产、物流、跟踪、资产管理上,而NFC则在门禁、公交、手机支付等领域内发挥着巨大的作用。
NFC、红外和蓝牙同为非接触传输方式,它们具有各自不同的技术特征,可以用于各种不同的目的,其技术本身没有优劣差别。
NFC手机内置NFC芯片,比原先仅作为标签使用的RFID更增加了数据双向传送的功能,这个进步使得其更加适合用于电子货币支付的;特别是RFID所不能实现的,相互认证和动态加密和一次性钥匙(OTP)能够在NFC上实现。NFC技术支持多种应用,包括移动支付与交易、对等式通信及移动中信息访问等。通过NFC手机,人们可以在任何地点、任何时间,通过任何设备,与他们希望得到的娱乐服务与交易联系在一起,从而完成付款,获取海报信息等。NFC设备可以用作非接触式智能卡、智能卡的读写器终端以及设备对设备的数据传输链路,其应用主要可分为以下四个基本类型:用于付款和购票、用于电子票证、用于智能媒体以及用于交换、传输数据。
NFC与其它近距通信技术的比较:
和传统的近距通讯相比,近场通讯(NFC)就有天然的安全性,以及连接建立的快速性,具体对比如下表:
| NFC | 蓝牙 | 红外 | |
| 网络类型 | 点对点 | 单点对多点 | 点对点 |
| 使用距离 | ≤0.1m | ≤10m | ≤1m |
| 速度 |
106, 212, 424 kbps 规划速率可达868 kbps 721 kbps 115kbps |
2.1 Mbps | ~1.0 Mbps |
| 建立时间 | < 0.1s | 6s | 0.5s |
| 安全性 | 具备, 硬件实现 | 具备,软件实现 | 不具备, 使用IRFM 时除外 |
| 通信模式 | 主动-主动/被动 | 主动-主动 | 主动-主动 |
| 成本 | 低 | 中 | 低 |
NFC的架构:
NFC的操作频率为13.56MHz,而操作距离约为10cm之内;而NFC的规范制定取至于RFID13.56MHz的频段,早期运用此频段包括 PhilipsMiFARE(ISO1443A)、ISO1443B、ISO15693、ISO18000-3及SonyFelica。由于非接触卡应用于个人数据识别或电子付费系统中强调于安全机制,而近乎于贴近卡片阅读器系统的近场通信及是将13.56MHz中短距系统的部分加以整合,所以最后市场上所见的即为PhilipsMiFARE(ISO1443A)及SonyFelica,早期这两家系统各自发展互不兼容,直到近年才将两种规格合并并制定了 NFC规范ECMA340/ISO18092(NFCIP1,NFCInterfaceandprotocol1)。此规范相容于现有 PhilipsMiFARE(ISO1443A)及SonyFelica。

在使用上因为NFC的使用通常会遇到使用尖峰时期,会了避免不同的发起端或目标端同时沟通造成数据链路错误,所以NFC采用了一种机制 listenbeforetalk。此机制会让当发起端设备要发出询问信号前,先侦测外界磁场强度来判断是否有其它的设备正在沟通中,这种机制的实现称为 RF Collision Avoidance(RFCA),其动作行为是在每次发起端发出询问信号时会侦测外界磁场,当磁场强度超过门坎强度时 (Hthreshold=0.1875A/m)则会停止询问,直至外界强度降至门坎值以下。若是低于临界值才会开始发出询问指令,侦测的时间为 TIDT+nTRFW,n为0~3的机率取样:TRFW=512/fc(RFwaitingtime),TIDT>4096 /fc(initialdelaytime)。当发起设备在TIDT+nTRFW内没有侦测到超过门坎强度的磁场,则会先发射TIRFG的未调变 RFfield之后再发出询问信号,其中TIRFG必须大于5ms。

在此将针对NFC RF interface做叙述,首先要先介绍EMCA340与EMCA356两种标准,EMCA340中叙述NFC相关协议,这里先引入数据封标作讨论,NFC数据分包分为两种类型,一为106kpbs、一为212/424kbps。


RF测试kit:
1.Calibration coil:coil的功能在于验证测试过程中,待测物所发射出的信号是否为正确的强度与调变。此Coil为一简单的天线架构,当然EMCA也详细的规定了所有的尺寸,由此coil所测出的值为0.32V(RMS)=1A/m(磁场强度)。


4.Reference device:图7为两种测试标准线路和一组天线coil,此referencedevice用于测试DUT的标准件。其中又包含了两组测试电路,图7-2为调变测试电路,图7-3为电源测试电路。


NFC RF测试程序:
1.发起设备Power测试:此测项在测试由发起设备所供给的磁场强度是否供给目标物足够的工作电源。将信号由generatingantenna 调整发射,于右端的calibrationcoil量测到的强度为Hmax(7.5A/m),此时再将referencedevice配合power测试线路调整C2使线路共振点位于19MHz(此部份在规范中并无详述为何调整至19MHz,在此推论若19MHz可达到3V输出则当目标物为 13.56MHz时其电压一定会超高3V,此因该为取其下限值),放置于DUT位置,调整线路R2使的由C3所得到之电压值为3V。此时 Referencedevice已经完成,之后再将此卡用来量测发起设备,将此卡放至于发起设备所标注之超作范围,在此超作范围内任意位置所量测到的电压值(C3)皆不可超过3V。至于Hmin测试则与max大致相同,不同处为将referencedevice共振频率调至13.56MHz及所量测知电压值皆须超过3V。

(1)被动模式
●106kbps:此测试为验证目标物可正确调变出波形,先将calibrationcoil放置于下侧外缘,确定generatingantenna所发射之波形与强度正确无误,此时再将待测目标物放置于上侧外缘,编辑一个ECMA340所定义之SENS_REQ波型由 generatingantenna发射并在待测目标物会回送一个SENS_RES信号,如此即可透过二个sensecoil量测到信号,此量测架构因考量回传之负载调变信号微弱,所以利用两个sensecoil之间电压差做计算,由于兼容系问题,所以在106kbps延续MiFARE使用副载波 (subcarrier)的调变作被动目标物的回传信号,所以量测点应于fc+fs与fc-fs(fc=13.56MHz,fs=fc/16)。

(2)主动模式
主动模式的测试与被动模式上并无太大的差异,由于是主动模式所以加测了目标物的RFfield发射的时间,指令下达的时间等。
3.发起设备的loadmodulation测试:
此测试在于验证发起设备的调变机制,可分为主动模式发射与被动模式接收两种。
(1)主动模式发射:将calibrationcoil放置于发起设备所定义的任意位置,而所量测的波型皆需符合ECMA340所定的规范。
(2)被动模式接收:此为测试发起设备可以正确的接收被动目标物所回传的信号。利用图7-2的loadmodulation测试线路所做成的 referencedevice,先将对应C3电压与距离的关系以图8的架构校正好,之后即可将此卡与发起设备的待测物做量测,测试由 referencedevice所发出的调变信号于待测物端的接收情况。在此只能对部分的测试项目做讨论而详细的测试请参考ECMA。
NFC系统目前阶段主要存在的问题:
1、相容性问题
目前不同厂家的NFC设备的兼容性问题还是比较突出的,这也是NFC论坛目前正在致力于解决的一个重点。其希望通过NFC标志认证来达到所有NFC设备兼容性的统一。
2、安全性问题
安全的NFC将各种NFC应用结合智慧卡的安全性。重要的机密资料与数据会一直储存在卡片中安全记忆体的某个区域,并且只能经由NFC装置授权,藉由储存在装置内安全记忆体中的私密金钥将传送资料予以加密。
3、主动或被动运作模式
拥有NFC的装置可以在主动或被动模式下运作,一般的行动装置主要是以被动模式运作,可以大幅降低耗电量,并延长电池的续航力。主动式NFC装置可以透过内部产生的射频场(RF-field)提供与被动装置通讯时所需的所有电力,与免接触式智慧卡的情况相同,拥有相同的电力,确保即使关掉行动装置的电源仍可以正常进行资料的读取。
4、标准化
NFC符合ECMA 340与ETSI TS 102 190 V1.1.1以及ISO/IEC 18092标准的开放式平台技术,这些标准具体规范NFC装置的调制方案、编码、传输速度与RF介面的讯框格式等,以及被动与主动NFC模式初始化过程中资料冲突控制所需的初始化设定与条件。此外,这些标准还定义了传输协定,其中包括通讯协定启动与资料交换方式等。
5、政策问题
由于移动支付产业环节复杂,价值链的构建需要多方参与,在此时间段,产业主导者不清晰,金融机构和移动运营商的议价能力相当,产业实际投入力度比较低。而由于终端和消费环境的缺乏,用户体验较差,用户通过移动支付购买的物品和服务并不丰富,目前并没有给消费者带来真正的便捷。
NFC系统的常见认证要求:
目前NFC终端的主要认证有CE,FCC和NFC logo认证。其中NFC logo认证目前还是个自愿认证,其实阶段主要的测试要求还在于NFC设备的互联互通(IOT)要求。关于NFC设备的CE标准为ETSI EN 300 330-1及ETSI EN 300 330-2。而NFC设备的FCC认证的标准为FCC PART 15C。具体的测试要求可详见摩尔实验室(MORLAB)的专题文章:《CE和FCC认证中针对NFC频段的射频测试要求》
上一篇:物联网RFID技术频率解析大全
下一篇:我国两项NFC安全技术成国际标准
RELATED
- > NFC技术领域专利现状[10-26]
- > 何为NFC技术?[06-23]
CONTACT
沈阳博能科技有限公司
地址:沈阳和平区长白二街浑河天地31楼
邮箱:wxy@rfboneng.com
电话:024-83385346 | 15142580885
地址:沈阳和平区长白二街浑河天地31楼
邮箱:wxy@rfboneng.com
电话:024-83385346 | 15142580885





